Modulation Final Menu

Frequency and Phase Modulation Systems

Module-driven study guide with original slide context preserved for full fidelity.

Module 1

Angle modulation foundations

Start with the carrier-angle viewpoint, the FM versus PM distinction, and the deviation relationships that everything else depends on.

Core frame

Angle modulation keeps carrier amplitude fixed

The deck opens by defining angle modulation as message-driven change in carrier phase. That single idea explains why FM and PM can suppress many amplitude-noise problems yet still force wider occupied bandwidth and more complex receiver design.

\n

What the first chapter really tests

Separate classification from side effects

FM is classified by direct frequency control. PM is classified by direct phase control. Both create coupled phase and frequency behavior, but the direct control variable is what exam questions care about.

\n

Formula discipline

Deviation and index are the first quantitative anchors

Slides 11 to 18 define deviation sensitivity, peak frequency deviation, percent modulation, and the modulation index relationships that reappear later when spectra and bandwidth are estimated.

Carrier model

s(t) = Vc cos(ωc t + θ(t))

Frequency deviation

Δf = Kf Vm

Modulation index

mf = Δf / fm

Source Material: Slides 1-18

Knowledge Check

Question 1

In direct FM, which output quantity is directly controlled by message amplitude?

In direct FM, which output quantity is directly controlled by message amplitude?
\n \n

\n

Question 2

Calculate the percent modulation of an FM broadcast transmitter if the frequency deviation is 54 kHz. (Max deviation is 75 kHz). Enter the value as a percentage.

Calculate the percent modulation of an FM broadcast transmitter if the frequency deviation is 54 kHz. (Max deviation is 75 kHz). Enter the value as a percentage.

Module 2

Bessel functions and FM spectrum building

The second block explains why tone-modulated FM is not a one-sideband process. It is a carrier plus infinitely many sideband pairs weighted by Bessel coefficients.

Spectrum logic

The carrier and every sideband pair come from the same series

Slides 19 to 28 move from frequency analysis into Bessel coefficients, then into reading practical spectra. The exam skill is not memorizing every term but knowing how coefficient magnitude decides which lines matter.

\n

Practical reading

Use the index first, then the table

Compute the modulation index, read the Bessel chart or table, keep significant coefficients, and place the resulting terms at fc ± nfm.

Series form

s(t) = Vc cos(ωc t + mf sin ωm t)

Placement rule

Sidebands occur at fc ± nfm

Table cue

Jn(mf) controls the nth sideband pair

Source Material: Slides 19-28

Knowledge Check

Question 1

What does a Bessel coefficient Jn(mf) tell you in tone-modulated FM?

What does a Bessel coefficient Jn(mf) tell you in tone-modulated FM?
\n \n

Module 3

Bandwidth, deviation ratio, and FM power distribution

This chapter turns the spectrum picture into engineering decisions: classify low, medium, and high index FM, estimate occupied bandwidth, and understand why total FM power stays constant while redistribution changes.

Bandwidth estimation

Carson and 20 dB methods are both in play

Slides 29 to 40 treat bandwidth as something you estimate from deviation and modulating frequency, then confirm through spectrum or analyzer logic. The point is practical occupied spectrum, not an exact infinite-series count.

\n

Power interpretation

FM power moves between carrier and sidebands without changing total transmit power

Slides 41 and 42 are easy to skip, but they are conceptually important. In ideal FM, amplitude is constant, so the total power is constant; what changes is where that power sits in the spectrum.

Carson rule

BW ≈ 2(Δf + fm)

Deviation ratio

DR = Δfmax / fm(max)

Classification cue

Low index < 1, medium 1 to 10, high index > 10

Source Material: Slides 29-42

Knowledge Check

Question 1

Calculate the bandwidth (in kHz) using Carson's rule for a peak deviation of 50kHz and max modulating frequency of 10kHz.

Calculate the bandwidth (in kHz) using Carson's rule for a peak deviation of 50kHz and max modulating frequency of 10kHz.

Module 4

Broadcast FM services and preemphasis strategy

The next set of slides grounds FM in real service allocations and then focuses on preemphasis and deemphasis as a practical SNR-management technique.

Service context

FM is not one service with one bandwidth target

Slides 43 to 46 compare broadcast FM, TV audio, mobile, emergency, and amateur usage. The useful takeaway is that deviation and channel planning follow the service goal, not a single universal setting.

\n

Noise shaping

Preemphasis lifts highs before transmission so deemphasis can recover them with better SNR

Slides 47 to 53 explain the standard reason preemphasis exists: high-frequency noise hurts more, so the transmitter boosts those components before modulation and the receiver restores the original balance afterward.

Transmit action

Boost high audio frequencies before FM modulation

Receive action

Apply reciprocal deemphasis after demodulation

Source Material: Slides 43-53

Module 5

FM modulators, up-conversion, and transmitter building blocks

Slides 54 to 74 are an actual transmitter-design chapter, not a side note. They compare direct and indirect modulators, varactor and reactance methods, VCO approaches, and frequency translation techniques.

Hardware view

The deck walks through multiple ways to create FM

Simple direct FM, varactor-diode modulation, reactance modulators, and integrated VCO-based modulators are all here because each solves stability, deviation, or implementation cost differently.

\n

Transmitter chain

Frequency multiplication and heterodyning reshape both carrier and deviation

The up-conversion and multiplication slides matter because they show how a low-frequency modulator can still become a stable high-frequency transmitter while preserving modulation behavior.

\n

Stability control

PLL transmitters bridge crystal stability and wideband deviation

The PLL direct FM transmitter at the end of this block is one of the most practical slides in the whole analog section.

Design cue

Use frequency multiplication to scale both fc and Δf

Stability cue

PLL control keeps the VCO locked to a reference while preserving FM behavior

Source Material: Slides 54-74

Knowledge Check

Question 1

What does the acronym VCO stand for?

What does the acronym VCO stand for?

Module 6

FM receivers, detectors, and loop behavior

This module covers the receiver half of the analog chain: double-conversion FM receivers, detector choices, slope detection limits, PLL demodulation, and loop filter behavior.

Receiver chain

FM receivers are familiar until the detector stage

Slides 77 to 82 show that much of the RF and IF path resembles AM or superheterodyne practice, but the discriminator stage is what changes the system behavior.

\n

Detector comparison

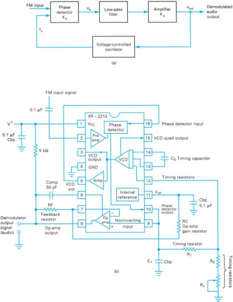
Slope detectors are simple, PLL detectors are robust

The deck contrasts slope detection with PLL demodulation. The exam-level takeaway is that slope detection is easy to explain but poor in linearity, while PLL demodulation tracks input deviation through a control loop.

Loop role

Phase comparator + LPF + VCO = tracking demodulator

LPF role

The loop filter sets acquisition and hold behavior

Source Material: Slides 77-90

Knowledge Check

Question 1

For an FM receiver with an input noise level of -112 dBm, postdetection SNR = 38 dB, FM improvement factor of 17 dB, and NF = 5 dB. Determine the minimum receive signal level in dBm.

For an FM receiver with an input noise level of -112 dBm, postdetection SNR = 38 dB, FM improvement factor of 17 dB, and NF = 5 dB. Determine the minimum receive signal level in dBm.

\n

Question 2

What type of demodulator is shown in this block diagram with a phase comparator, LPF, and VCO?

What type of demodulator is shown in this block diagram with a phase comparator, LPF, and VCO? Waveform for question
\n \n

Module 7

Noise suppression, capture effect, stereo FM, and analog SNR

The remaining analog slides cover limiter behavior, thresholding, capture effect, stereo multiplexing, stereo recovery, and the analog SNR summary that closes the FM portion of the course.

Noise handling

Limiters and thresholding explain why FM gets quiet only above a useful input level

Slides 91 to 102 cover amplitude limiting, threshold behavior, and capture effect. This is the practical noise-performance chapter rather than a pure formula chapter.

\n

Stereo multiplexing

Stereo FM is a composite baseband design problem

Slides 103 to 116 turn stereo broadcasting into a multiplexing problem: L + R baseband, L - R around 38 kHz, and a 19 kHz pilot so the receiver can rebuild the suppressed subcarrier.

\n

Bridge to later chapters

The analog SNR slide closes the FM unit before the course shifts to digital communications

Slide 117 is a useful transition: signal-to-noise thinking remains important even when the course later moves into line coding, BER, and PCM.

Stereo baseband

Composite = (L + R) + pilot + DSB(L - R)

Capture cue

The stronger same-channel FM signal tends to dominate receiver output

Source Material: Slides 91-118

Knowledge Check

Question 1

In FM Stereo Broadcasting, what is the frequency of the pilot subcarrier in kHz?

In FM Stereo Broadcasting, what is the frequency of the pilot subcarrier in kHz?

Module 8

Digital communications foundations, coding, and line signaling

This block deserves a full module, not a review footnote. It introduces digital transmission versus digital radio, information capacity, character coding, error detection, ARQ, channel coding, and line-code synchronization issues.

Big distinction

Digital transmission and digital radio are not the same thing

Slides 120 to 138 separate direct pulse transmission on guided media from digital information sent on a modulated analog carrier through space. That distinction sets up the later digital-radio modules.

\n

Capacity and coding

Information theory sets the ceiling before implementation choices start

Slides 139 to 147 move through information capacity, Shannon thinking, and BER reference figures. Then the deck shifts into symbol definitions, baud rate, Nyquist-rate ideas, and character coding such as ASCII and EBCDIC.

\n

Reliability layer

Error detection, ARQ, channel coding, and line codes are all part of the source context

Slides 169 to 197 cover parity, CRC, retransmission logic, block and convolutional coding, and the synchronization constraints behind AMI-family line codes.

Capacity cue

Shannon capacity grows with bandwidth and SNR

Nyquist cue

Binary data rate in an ideal noiseless channel relates to available bandwidth

Synchronization cue

Long-distance digital links need self-clocking or recovered timing

Source Material: Slides 119-197

Knowledge Check

Question 1

What is the most common error detection method that uses binary division by a constant? (Abbreviation)

What is the most common error detection method that uses binary division by a constant? (Abbreviation)

\n

Question 2

What does ARQ stand for?

What does ARQ stand for?

\n

Question 3

What is the main distinction between digital transmission and digital radio in this deck?

What is the main distinction between digital transmission and digital radio in this deck?
\n \n

Module 9

Digital radio introduction, FSK, and ASK

The digital-modulation chapter begins with radio-system context and then spends real time on FSK and ASK transmitters, detectors, and coherent versus noncoherent reception.

FSK first

FSK is the direct digital relative of FM thinking

Slides 203 to 223 show why FSK is a natural starting point after the analog FM chapter: marks and spaces become distinct carrier frequencies, and the deck compares continuous and discontinuous implementations plus coherent and noncoherent detection.

\n

ASK contrast

ASK is simpler conceptually but more exposed to amplitude noise

Slides 224 to 233 position ASK as digital amplitude modulation and use that contrast to motivate why phase-based and quadrature methods often perform better.

FSK cue

Binary states map to different carrier frequencies

ASK cue

Binary states map to different carrier amplitudes

Detection cue

Coherent receivers need a carrier/timing reference; noncoherent receivers trade complexity for performance

Source Material: Slides 198-233

Knowledge Check

Question 1

What digital modulation technique is represented by this waveform where the carrier amplitude shifts between a high and low level?

What digital modulation technique is represented by this waveform where the carrier amplitude shifts between a high and low level? Waveform for question
\n \n

Module 10

PSK, QPSK, QAM, carrier recovery, and BER tradeoffs

This is another major chapter. It covers BPSK, QPSK, QAM, coherent recovery loops, clock recovery, trellis coding, and BER comparisons across schemes.

Phase family

PSK uses phase states because they hold up better in noise-limited links

Slides 234 to 252 move from BPSK into QPSK transmitters and receivers. The essential study point is that multilevel phase states improve bit efficiency at the cost of tighter recovery requirements.

\n

Quadrature scaling

QAM combines phase and amplitude to raise information density

Slides 253 to 263 use 8-QAM as the teaching example, then compare efficiency across ASK, FSK, PSK, and QAM families.

\n

Recovery and performance

Carrier recovery, clock recovery, trellis coding, and BER are part of the same design conversation

Slides 264 to 292 show why high-order digital modulation is not just about constellations. The receiver must rebuild timing and carrier references accurately enough to achieve the expected BER.

QPSK cue

Two input bits select one of four phase states

QAM cue

I/Q components change both amplitude and phase

Performance cue

Higher spectral efficiency usually demands higher SNR and tighter recovery

Source Material: Slides 234-292

Knowledge Check

Question 1

What type of digital modulation constellation is shown here?

What type of digital modulation constellation is shown here? Waveform for question
\n \n

\n

Question 2

What is the process of extracting a phase coherent reference carrier from a receiver signal called?

What is the process of extracting a phase coherent reference carrier from a receiver signal called?

Module 11

Digitizing analog signals: sampling, aliasing, PAM, PWM, and PPM

The course then pivots from digital carriers to digitizing analog sources. This block covers why digital pulses are robust, how sampling works, and how pulse-modulation families differ before full PCM coding begins.

System reason

Digitizing analog signals is a transport pipeline, not one isolated formula

Slides 293 to 299 frame digitization as three steps: sample the analog signal, turn samples into discrete pulses, and transport those pulses through a physical medium.

\n

Sampling theorem

Nyquist and aliasing are central, not optional review points

Slides 301 to 322 walk through natural sampling, flat-top sampling, aperture error, Nyquist sampling, and aliasing in both time and frequency domains.

\n

Pulse families

PWM, PPM, PAM, and PCM are related but not interchangeable

Slides 323 to 331 map the pulse-modulation family so the later PCM chapter has context.

Sampling theorem

fS ≥ 2fa

Aliasing cue

If fS < 2fa, the original message cannot be reconstructed cleanly

Source Material: Slides 293-331

Knowledge Check

Question 1

This output spectrum shows the effects of sampling. What phenomenon causes the overlapping of spectral components if fs < 2fa?

This output spectrum shows the effects of sampling. What phenomenon causes the overlapping of spectral components if fs < 2fa? Waveform for question
\n \n

\n

Question 2

A signal has a maximum frequency of 4kHz. According to the Nyquist sampling theorem, what is the minimum sampling rate in kHz?

A signal has a maximum frequency of 4kHz. According to the Nyquist sampling theorem, what is the minimum sampling rate in kHz?

Module 12

PCM, quantization, dynamic range, and companding

Slides 332 to 381 form a full PCM chapter: encoder blocks, quantization, quantization noise, resolution, dynamic range, coding efficiency, data rate, linear versus nonlinear coding, and analog and digital companding.

PCM chain

The encoder-decoder path matters as much as the formulas

The simplified PCM system and its BPF, line driver, serial/parallel logic, and code structure give the hardware view that the quantization formulas depend on.

\n

Quantization study core

Resolution, error, dynamic range, and SQNR are the main numeric ideas

Slides 339 to 359 are the core quantitative study block. They explain why more bits reduce quantum size, improve signal representation, and raise recoverable dynamic range.

\n

Companding

Companding exists because low-amplitude signal accuracy matters

Slides 360 to 381 explain analog and digital companding, μ-law, A-law, and the tradeoff between compression efficiency and introduced error.

Resolution cue

Smaller quantum size means finer amplitude representation

Data-rate cue

PCM line rate depends on sample rate and bits per sample

Companding cue

Nonlinear coding improves small-signal representation at the cost of nonuniform error

Source Material: Slides 332-381

Module 13

TDM, PCM/TDM systems, and carrier hierarchies

This chapter is the multiplexing and telephony-systems block: TDM slotting, frame timing, PCM/TDM transport, T1 framing, fractional T1, and North American and European hierarchy summaries.

Multiplexing idea

TDM shares one path by interleaving channels in time

Slides 382 to 393 are the system-level explanation for why multiple analog or digital channels can share one facility without simultaneous overlap.

\n

Carrier systems

T1 and E-carrier details are part of the actual final-review content

Slides 401 to 417 go beyond abstract TDM and into concrete hierarchy, framing, signaling-channel, and line-interface details used in telephony systems.

Frame cue

Frame time is set by the channel sampling schedule

DS-0 cue

A standard voice PCM channel becomes the building block of larger hierarchies

Source Material: Slides 382-417

Knowledge Check

Question 1

A T1 digital carrier system time division multiplexes 24 voice band channels. If each frame contains 193 bits and the frame rate is 8000 frames/second, what is the line speed in Mbps?

A T1 digital carrier system time division multiplexes 24 voice band channels. If each frame contains 193 bits and the frame rate is 8000 frames/second, what is the line speed in Mbps?

Module 14

Delta modulation, pulse impairments, and eye diagrams

The closing slides are not throwaway material. They cover delta modulation behavior, its encoder and decoder, slope overload, granular noise, and the pulse-shape impairments diagnosed with eye diagrams.

Delta logic

Delta modulation sends change direction instead of full PCM words

Slides 418 to 432 explain why delta modulation can use lower bit rates and lower power than full PCM while introducing its own failure modes.

\n

Failure modes

Slope overload and granular noise are the two named distortions to remember

These slides explicitly contrast fast-changing inputs that outrun the staircase with slow-changing inputs that create granular jitter around the true value.

\n

Transmission quality

Eye diagrams turn pulse distortion into a visual diagnostic

Slides 433 to 439 close the deck with timing inaccuracy, amplitude distortion, ISI, and eye-diagram interpretation, which is useful for understanding digital pulse quality after a real channel.

Slope overload cue

Occurs when the signal changes faster than the staircase can track

Granular-noise cue

Occurs when step changes are too coarse for slowly varying input

Eye-diagram cue

A more open eye indicates better timing margin and less ISI

Source Material: Slides 418-439

Knowledge Check

Question 1

What is the primary advantage of Delta Modulation over standard PCM?

What is the primary advantage of Delta Modulation over standard PCM?
\n \n

\n

Question 2

What problem is caused when a delta modulator staircase cannot follow a rapidly changing input?

What problem is caused when a delta modulator staircase cannot follow a rapidly changing input?
\n \n

\n

Question 3

What is the name of this diagnostic display used to evaluate digital pulse quality?

What is the name of this diagnostic display used to evaluate digital pulse quality? Waveform for question
\n \n

Module 15

Mixed final test checkpoint

This checkpoint spans the analog and digital halves of the deck. Grade it only after you have worked through the source-backed modules above.

Score banner Answer all twenty questions, then grade the test to see your result and weak areas.

Question 1

In direct FM, which output quantity is directly controlled by message amplitude?

In direct FM, which output quantity is directly controlled by message amplitude?
\n \n

Question 2

What does the acronym VCO stand for?

What does the acronym VCO stand for?

Question 3

What type of digital modulation constellation is shown here?

What type of digital modulation constellation is shown here? Waveform for question
\n \n

Question 4

Calculate the bandwidth (in kHz) using Carson's rule for a peak deviation of 50kHz and max modulating frequency of 10kHz.

Calculate the bandwidth (in kHz) using Carson's rule for a peak deviation of 50kHz and max modulating frequency of 10kHz.

Question 5

What is the primary advantage of Delta Modulation over standard PCM?

What is the primary advantage of Delta Modulation over standard PCM?
\n \n

Question 6

What is the most common error detection method that uses binary division by a constant? (Abbreviation)

What is the most common error detection method that uses binary division by a constant? (Abbreviation)

Question 7

This output spectrum shows the effects of sampling. What phenomenon causes the overlapping of spectral components if fs < 2fa?

This output spectrum shows the effects of sampling. What phenomenon causes the overlapping of spectral components if fs < 2fa? Waveform for question
\n \n

Question 8

A signal has a maximum frequency of 4kHz. According to the Nyquist sampling theorem, what is the minimum sampling rate in kHz?

A signal has a maximum frequency of 4kHz. According to the Nyquist sampling theorem, what is the minimum sampling rate in kHz?

Question 9

What problem is caused when a delta modulator staircase cannot follow a rapidly changing input?

What problem is caused when a delta modulator staircase cannot follow a rapidly changing input?
\n \n

Question 10

In FM Stereo Broadcasting, what is the frequency of the pilot subcarrier in kHz?

In FM Stereo Broadcasting, what is the frequency of the pilot subcarrier in kHz?

Question 11

What is the name of this diagnostic display used to evaluate digital pulse quality?

What is the name of this diagnostic display used to evaluate digital pulse quality? Waveform for question
\n \n

Question 12

For an FM receiver with an input noise level of -112 dBm, postdetection SNR = 38 dB, FM improvement factor of 17 dB, and NF = 5 dB. Determine the minimum receive signal level in dBm.

For an FM receiver with an input noise level of -112 dBm, postdetection SNR = 38 dB, FM improvement factor of 17 dB, and NF = 5 dB. Determine the minimum receive signal level in dBm.

Question 13

What does a Bessel coefficient Jn(mf) tell you in tone-modulated FM?

What does a Bessel coefficient Jn(mf) tell you in tone-modulated FM?
\n \n

Question 14

What does ARQ stand for?

What does ARQ stand for?

Question 15

What type of demodulator is shown in this block diagram with a phase comparator, LPF, and VCO?

What type of demodulator is shown in this block diagram with a phase comparator, LPF, and VCO? Waveform for question
\n \n

Question 16

A T1 digital carrier system time division multiplexes 24 voice band channels. If each frame contains 193 bits and the frame rate is 8000 frames/second, what is the line speed in Mbps?

A T1 digital carrier system time division multiplexes 24 voice band channels. If each frame contains 193 bits and the frame rate is 8000 frames/second, what is the line speed in Mbps?

Question 17

What is the main distinction between digital transmission and digital radio in this deck?

What is the main distinction between digital transmission and digital radio in this deck?
\n \n

Question 18

What is the process of extracting a phase coherent reference carrier from a receiver signal called?

What is the process of extracting a phase coherent reference carrier from a receiver signal called?

Question 19

What digital modulation technique is represented by this waveform where the carrier amplitude shifts between a high and low level?

What digital modulation technique is represented by this waveform where the carrier amplitude shifts between a high and low level? Waveform for question
\n \n

Question 20

Calculate the percent modulation of an FM broadcast transmitter if the frequency deviation is 54 kHz. (Max deviation is 75 kHz). Enter the value as a percentage.

Calculate the percent modulation of an FM broadcast transmitter if the frequency deviation is 54 kHz. (Max deviation is 75 kHz). Enter the value as a percentage.